
佛山市黄瓜视频APP污下载传感仪器有限公司
联系人:张总
电话:0757-22300095
手机:18902563858
邮箱:931199351@qq.com
传真:0757-22300097
地址:广东省佛山市顺德区勒流富安工业区光电产业园4栋303号
网址:www.cnysjt.com
HDK104平膜型智能黄瓜软件下载控制器是集黄瓜软件下载测量,显示,输出、控制于一体的智能数显黄瓜软件下载测控产品。该产品为全电子结构,前端采用带隔离膜充油压阻式黄瓜软件下载传感器或应变式无腔黄瓜软件下载传感器,由高精度的A/D转换,经微处理器运算处理,现场显示,并输出一路模拟量(4~20MA)和两路开关量。
该智能数字黄瓜软件下载控制器使用灵活,操作简单,调试容易,安全可靠。
【仪表应用】:
广泛应用于水电,自来水,石油,化工,机械,液压等行业,对流体、熔体介质的黄瓜软件下载进行现场测量显示和控制。
【仪表特点】:
◆三个单位随意切换
◆采用高精度黄瓜软件下载传感器,比机械黄瓜软件下载开关精度高,迟滞小,响应快,稳定可靠;
◆两路220V,3A,单刀双掷继电器(常开常闭),最大限度满足客户灵活使用的需要。
◆全部软件校正,抗震动,抗干扰设计
◆标准仪表安装,外型小巧,安装方便
◆4位LED数码管显示,无视值误差.
◆两路控制点继电器输出(调节无死区,全量程设定继电器动作,且有回差设置功能,可防止黄瓜软件下载波动带来反复动作)
◆可选配4~20mA标准信号输出
◆多种螺纹接口可选,可以根据客户实际需要定制
◆低价格,高精度,高可靠性,替代各种黄瓜软件下载继电器、电接点黄瓜软件下载表、机械黄瓜软件下载开关、指针黄瓜软件下载表
【技术参数】:
量程范围 | -0.1~100MPa | 精度等级 | 0.5% |
过载能力 | 200% | 黄瓜软件下载类型 | 表压 |
稳定性 | ≤0.1% /年 | 电源电压 | 24VDC |
显示方式 | 0.56"数码管 | 显示范围 | -1999~9999 |
环境温度 | -20℃~70℃ | 相对湿度 | ≤80% |
安装螺纹 | M20*1.5等 | 材质 | 不锈钢 |
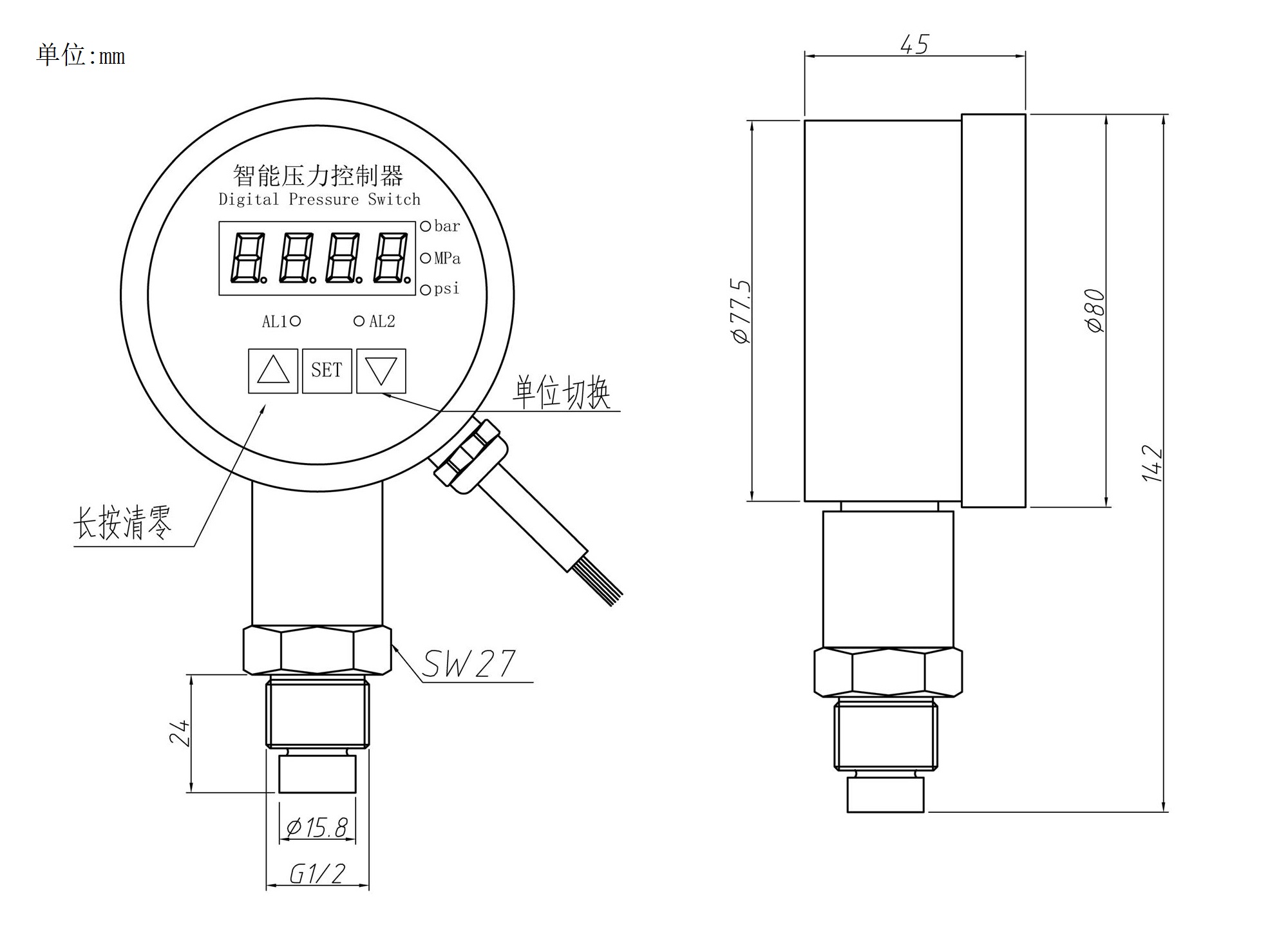
【外型尺寸图】: