
佛山市黄瓜视频APP污下载传感仪器有限公司
联系人:张总
电话:0757-22300095
手机:18902563858
邮箱:931199351@qq.com
传真:0757-22300097
地址:广东省佛山市顺德区勒流富安工业区光电产业园4栋303号
网址:www.cnysjt.com
【产品概述】:
◆高度低、钢性好、精度高、抗偏载能力强
◆广泛应用于于皮带秤、料斗秤、仓储秤、料罐、材料力学试验机、劳保安全检测设备
◆可选配变送器输出三线制0~10mA、4~20mA或0~5V输出等
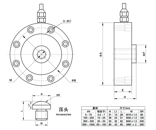
◆量程:0.5,1,2,3,5,10,20,30,50,60,100,200t
【主要技术参数】:
额定载荷 | 0.5~1~200t |
综合精度 | 0.05(线性+滞后+重复性) |
灵敏度 | 2.0 mV/V |
蠕变 | ±0.05 %F·S/30min |
零点输出 | ±1 %F·S |
零点温度影响 | ±0.05 %F·S/10℃ |
输出温度影响 | ±0.05 %F·S/10℃ |
工作温度 | -20℃~+65℃ |
输入阻抗 | 380±10 Ω 或 750±15 Ω |
输出阻抗 | 350±3 Ω 或 700±5 Ω |
绝缘电阻 | >5000 MΩ |
安全过载 | 150% F·S |
供桥电压 | 建议10VDC |
材质 | 合金钢或不锈钢 |
接线方式
| 电源(+)红线 电源(-)黑线 输出(+)绿线 输出(-)白线 |
【尺寸图】:

