
佛山市黄瓜视频APP污下载传感仪器有限公司
联系人:张总
电话:0757-22300095
手机:18902563858
邮箱:931199351@qq.com
传真:0757-22300097
地址:广东省佛山市顺德区勒流富安工业区光电产业园4栋303号
网址:www.cnysjt.com
HDM-FL制冷剂专用磁致伸缩黄色网站黄瓜视频传感器采用磁致伸缩原理制造的高精度、长量程线性、绝对位置测量的黄色网站黄瓜视频传感器,可以精确测量容罐液面的位置。供电方式灵活,接线方法多种且极为方便,可满足各种测量、控制、检测的要求;采用非接触测量方式,解决了因磨擦、磨损等造成的使用寿命低的问题。该传感器性能高,寿命长,有良好的环境适应性、可靠性和稳定性,安装简单,为用户使用带来极大的方便。
主要应用于制冷剂设备黄色网站黄瓜视频测量
基站柴油发电机油箱黄色网站黄瓜视频检测
加油站储罐油位检测
化工原料黄色网站黄瓜视频检测
高精度容罐的液体黄色网站黄瓜视频控制
◆稳定性能好,精度够高,该专用产品的精度达0.1%F.S.,完全满足客户1~2mm的精度要求;
◆能配合客户系统设备即时地反映油箱内黄色网站黄瓜视频变化的情况,解决客户Z关心的需求点;
◆能即时地根据客户对死区的要求作出控制方案,赢得客户对公司跟踪服务的认同;
◆安装方便,油箱生产时只需根据法兰指定尺寸开孔,磁尺配带法兰盖固定在油箱孔即可;
◆磁尺产品配带可调节装置,对规格不一的油箱可进行上下微调,规范产品量程
HDM-FL制冷剂专用磁致伸缩黄色网站黄瓜视频传感器采用磁致伸缩原理,非接触式结构,具有使用寿命长,精度高、重复性好等测量优点。
测量对象: 制冷剂
供电电源: +24VDC±10%;±15VDC±10%
输出方式: 0~5VDC、0~10VDC、-5~+5VDC、-10~+10VDC、4~20mADC、ModBus等
有效量程范围: 50~1000mm(可根据客户特殊要求订做)
负载特性: 电流信号输出Z大负载电阻为 600Ω;电压信号输出Z大负载电流为 2mA
工作电流: <70mA
工作温度: -40~+85℃
储存温度: -40~+100℃
非线性误差: <±0.05%F.S.(300mm以下Z大误差150um)
重复性误差: <±0.002% F.S.
分辨率: 采用 16bitD/A 转换、4μm
迟滞: <±0.002% F.S.
温度影响: <±0.007%F.S./℃
零点可调范围: 100%F.S.
满度可调范围: 100%F.S.
测杆材质: 0Cr18Ni9(304)、316不锈钢(特殊定制)
电子仓外壳材质: 0Cr18Ni9(304)
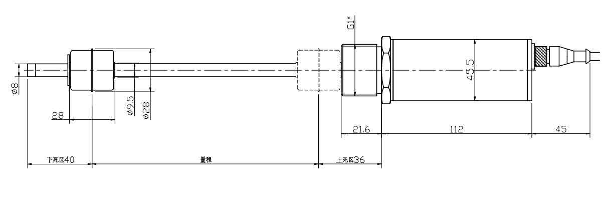
连接形式: 螺纹连接、法兰连接等
出线方式: 直出电缆线、航空插头、接线端子
外壳防护等级: 电子仓IP65、测杆IP68
耐压: 2.5MPa
(略)
单位:mm
