• 黄瓜TV在线观看,黄瓜视频APP污下载,黄瓜软件下载,黄色网站黄瓜视频

    欢迎访问佛山市黄瓜视频APP污下载传感仪器有限公司官网!

    解决方案

    产品分类

    联系黄瓜TV在线观看

    佛山市黄瓜视频APP污下载传感仪器有限公司

    联系人:张总

    电话:0757-22300095

    手机:18902563858

    邮箱:931199351@qq.com

    传真:0757-22300097

    地址:广东省佛山市顺德区勒流富安工业区光电产业园4栋303号

    网址:www.cnysjt.com


    HDN-2071非接触式动态扭矩传感器

    您的当前位置: 首 页 >> 产品中心 >> 扭矩传感器

    HDN-2071非接触式动态扭矩传感器

    • 所属分类:扭矩传感器

    • 点击次数:
    • 发布日期:2024/11/30
    • 在线询价
    • 详细介绍

    【产品应用】

           HDN-2071非接触式动态扭矩传感器主要应用于滑轮动态扭矩力的测量,也适用于各种加工设备、自动机床、电动机、发动机、内燃机等旋转动力设备,以及铁路机车、工业风机、水泵、齿轮箱、扭力板手的扭矩和功率的检测。


    【产品特点】

    ·非接触式

    ·量程 100Nm

       ·输出 10±5KHz, 4-20mA, ±5VDC, ±10VDC, RS485/232

       ·不锈钢轴

       ·最高转速12000RPM

       ·可带转速输出

       ·可带面板显示扭矩/转速/功率


    【主要技术参数】

    量程:0-50,100Nm

    供电电压:12-24VDC

    精度:±0.1,±0.2%FS

    零点温度影响:±0.02%FS

    满度温度影响:±0.02%FS

    补偿温度范围:-10~60ºC

    工作温度范围:-20~75ºC

    扭矩输出:10±5kHz ,4-20mA, ±5VDC, ±10VDC,RS485, RS232,CAN

    供电电流:小于 100mA

    电气连接:PG7 出线螺母

    过载保护:200%FS

    材质:轴材料 17-4PH 不锈钢,外壳为铝

    选项:

    转速测量:最大转速:12000RPM,60/30脉冲,4-20mA, 5V/TTL,±5VDC, ±10VDC,RS485, RS232, CAN


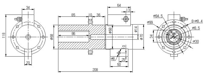
    【产品尺寸(单位mm)】

    滑轮动态扭矩传感器尺寸


    本文网址:http://www.cnysjt.com/product/793.html

    关键词:非接触式动态扭矩传感器,滑轮动态扭矩传感器,动态扭矩传感器

    上一篇:没有了
    下一篇:HDN-RT静态扭矩传感器

    最近浏览:

    欢迎给黄瓜TV在线观看留言
    请在此输入留言内容,黄瓜TV在线观看会尽快与您联系。
    姓名
    联系人
    电话
    座机/手机号码
    邮箱
    邮箱
    地址
    地址
    网站地图