
佛山市黄瓜视频APP污下载传感仪器有限公司
联系人:张总
电话:0757-22300095
手机:18902563858
邮箱:931199351@qq.com
传真:0757-22300097
地址:广东省佛山市顺德区勒流富安工业区光电产业园4栋303号
网址:www.cnysjt.com
HD3051单晶硅智能差压变送器组件采用德国先进的MEMS技术制成的单晶硅传感器芯片、全球独创的单晶硅双梁悬浮式设计,实现了国际领先的高准确度、超高过压性能优异的稳定性。内嵌智能信号处理模块,实现静压与温度补偿的完美结合,可在大范围内的静压和温度变化下提供极高的测量精度和长期稳定性。
HD3051能准确的测量差压,并把它转换成4~20mADC的输出信号。该传感器可通过三按键本地操作,或通用手操器、组态软件、以及手机 APP 远程操作,在不影响4~20mADC的输出信号的同时,进行显示与组态。
■ 石油/石化/化工
与节流装置配套,提供精确的流量测量和控制。精确测量管道和贮罐的黄瓜软件下载和黄色网站黄瓜视频。
■ 电力/城市煤气/其它公司事业
要求高稳定和高精度的黄瓜软件下载、流量、黄色网站黄瓜视频测量等场所。
■ 纸浆和造纸
用于要求耐化学液体、耐腐蚀性液体的黄瓜软件下载、流量、黄色网站黄瓜视频测量场所。
■ 钢铁/ 色金属/陶瓷
用于炉膛黄瓜软件下载、负压测量等要求高稳定性,高精度测量场所。
■ 机械装备/造船
用于在严格控制黄瓜软件下载、流量、黄色网站黄瓜视频等指标条件下,要求稳定测量的场所。
■ 高准确度
差压传感器在0.1~40kPa~4MPa的测量范围内,可进行高准确度测量。标准校验量程精度:±0.075%FS
1kPa标准量程单边过压达1MPa;6kPa标准量程单边过压达2MPa
■ 优异的环境适应性
智能静压补偿和温度补偿,保护变送器不受温度、静压与过压的影响,将现场的综合测量误差控制到最小。
■ 灵活的量程压缩
量程比:4:1(10:1可选)
■ 优异的操作性和使用便利性
▪ 备有5位带背光LCD数字显示器
▪ 多种显示功能 (Pa、kPa、MPa、bar、mbar、%、psi、mmH2O)
▪ 内置三按键快捷操作就地调整功能
▪ 通过手机 APP 进行远程调试
▪ 备有各种抗腐蚀材料
▪ 全面自诊断功能
量程:0.1~40kPa~4MPa间可选
精度等级:±0.075%FS、±0.10%FS、±0.20%FS
工作电压:(12.5~48)V DC
输出信号:4~20mA(可带HART协议数字通讯)、RS485
工作温度:-20℃~60℃
迁移震动影响:任意轴上,200HZ/g为0.01%FS, 年稳定性优于0.2%<
温度影响:-20℃~60℃±0.1%/10k


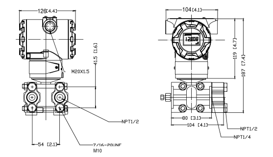
安装使用直角支架安装图 使用平板支架安装图