• 黄瓜TV在线观看,黄瓜视频APP污下载,黄瓜软件下载,黄色网站黄瓜视频

    欢迎访问佛山市黄瓜视频APP污下载传感仪器有限公司官网!

    解决方案

    产品分类

    联系黄瓜TV在线观看

    佛山市黄瓜视频APP污下载传感仪器有限公司

    联系人:张总

    电话:0757-22300095

    手机:18902563858

    邮箱:931199351@qq.com

    传真:0757-22300097

    地址:广东省佛山市顺德区勒流富安工业区光电产业园4栋303号

    网址:www.cnysjt.com


    HDN-98静态扭矩传感器

    您的当前位置: 首 页 >> 产品中心 >> 扭矩传感器

    HDN-98静态扭矩传感器

    • 所属分类:扭矩传感器

    • 点击次数:
    • 发布日期:2024/10/06
    • 在线询价
    • 详细介绍

    【产品应用】:

    主要应用于各种加工设备、机床、风机、水泵、齿轮箱、扭力板手的扭矩及功率的检测。


    【产品特点】:

      •电阻应变为敏感元件和集成电路构成的一体产品,精度高,性能稳定可靠。

      • 中高量程扭矩测量。
      • 静态扭矩测量,两端均为法兰盘连接,安装使用方便
      • 适用于静态扭矩测量。


    【主要技术参数】:

    传感器参数

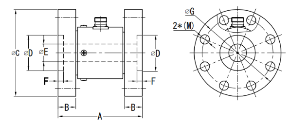
    【产品尺寸(单位mm)】:

    传感器图纸

    image.png


    本文网址:http://www.cnysjt.com/product/790.html

    关键词:静态扭矩传感器,扭矩传感器,扭矩传感器定制

    最近浏览:

    欢迎给黄瓜TV在线观看留言
    请在此输入留言内容,黄瓜TV在线观看会尽快与您联系。
    姓名
    联系人
    电话
    座机/手机号码
    邮箱
    邮箱
    地址
    地址
    网站地图